Skip to content

ihusharp/hust_MIPS_CPU_Design

Repository files navigation

hust_MIPS_CPU_Design

MIPS_CPU_Design by hustMooc

待完成....

目前已经完成实验

  • 计算机数据表示

    • 汉字国标码转区位码、机内码获取实验
    • 偶校验编码设计、检错设计
    • 16位海明编码电路设计
    • 16位CRC并行编解码电路设计
  • 运算器组成实验

    • 可控加减法电路设计实验
    • 4 位先行进位74182
    • 4 、16、32 位快速加法器设计
    • 32 位 ALU设计实验
    • 5 位阵列乘法器
    • 6 位补码阵列乘法器
    • 5 位无符号乘法流水线
    • 原码 1 位乘法器设计实验
    • 补码 1 位乘法器设计实验
  • 存储系统设计

    • MIPS RAM设计
    • MIPS寄存器文件设计
    • 直接相联cache设计
    • 全相联cache设计
    • 4 路组相联cache设计
    • 2 路组相联cache设计
  • 处理器设计实验

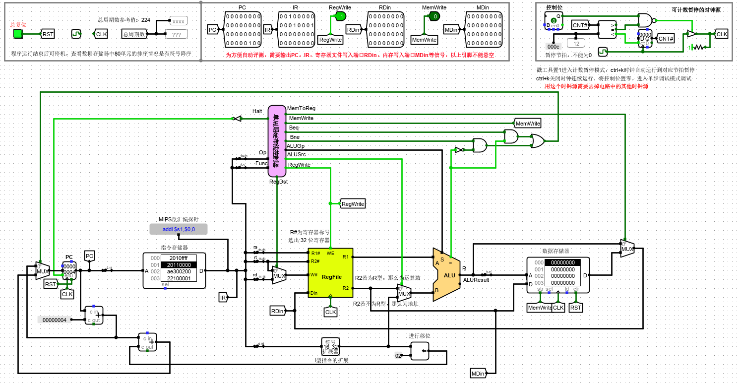
    • 单周期MIPS CPU设计
    • 单周期硬布线控制器
    • MIPS微程序CPU设计

单周期MIPS CPU设计

image-20201116183929700

About

MIPS_CPU_Design by hustMooc

Resources

Stars

Watchers

Forks

Releases

No releases published

Packages

No packages published